搅拌减速机输出轴轴承损坏维修原因分析
2022-04-19 09:21:45
KWZK科技股份有限公司
搅拌减速机输出轴轴承损坏维修原因分析
搅拌减速机H2RV7A输出轴轴承损坏分析
减速机外观:

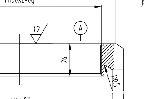
损坏部位照片:






使用方在使用中发现输出端油管不通,润滑油注不进去,怀疑里面润滑油孔堵塞,疏通无果后打开端盖,发现单列满装圆柱滚子轴承内圈挡边一侧损坏啃边,轴承外圈发生位移,已遮挡注油孔,圆柱滚子推力轴承无明显损坏,锁紧锁母螺纹处有裂纹。如上图。
分析故障可能产生的原因:
产生原因分析,有四点。
输出轴存在较大轴向力。
锁紧螺母松动。
锁紧螺母没有旋装到预定位置。
轴向间隙预留为负。
本机故障根据图片与现场反馈分析,应该是锁紧螺母失效,导致推移,造成两盘圆柱滚子推力轴承间距增大,输出轴得以满足轴向攒动条件,运行中在负载机器的带动下,输出轴发生波动窜轴,波动距离大于单列满装圆柱滚子轴承轴向预留间隙,产生轴承挡边撞击啃咬,挡边啃咬消失后,外圈位移脱出,堵塞注油孔。
需特别注意的是此次损坏的螺母是使用方自行仿造加工的,锁紧螺母变形锁紧位置已裂开,已丧失变形后卡死能力,变形位置尺寸与厚度设计是关键,不合适的仿造极易造成螺母松动滑退,该螺母是导致后续一系列问题的起始点。
还需注意的一点是锁紧螺母的预紧位置也很关键。
下图为该螺母安装后照片,它的设计制造,安装操作,都有相应的规范要求。


TAG:
搅拌减速机