HCTM-5系列红外成像仪测温在电力变压器中的应用
2022-07-28 科技股份有限公司电气
不合理使用变频器,对电机造成的损伤,你知道吗?
转动设备检测ASR-ZD系列测振仪使用介绍分享
2022-07-27 科技股份有限公司
PLC这种报警,应该马上要引起重视,否则很麻烦!
热电偶的冷端补偿原理及校验分享
变压器绕组温度会低于油面温度吗?
2022-07-26 科技股份有限公司电气
电力设备能效的水平分级
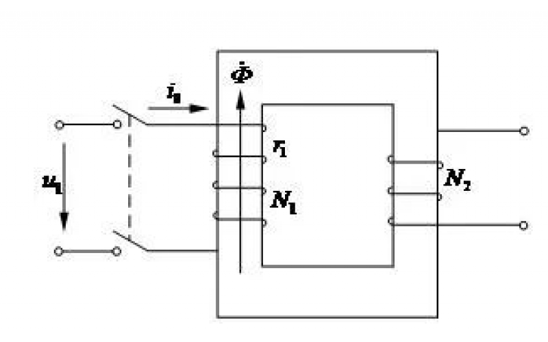
变压器励磁电流大小是否可以控制