新闻动态

  • 凝汽器灌水查漏操作要点有哪些?

    凝汽器灌水查漏操作要点有哪些? 1.机组停运,高压缸调节级温度低于100℃。 2.凝汽器底部加装临时支撑和临时水位计,水位计上口不允许封口。 3.开启机组各段抽汽疏水门。 4.关闭主再热蒸汽冷段热段、高旁前后,导汽管、调节级、汽缸夹层疏水电动门,和低旁减温水电动门。 5.关闭A、B凝结水泵进口手动门,抽空气手动门,关闭凝结水再循环调整门。 6.关闭A、B真空泵入口手动门,气动门。

    2024-08-16 科技股份有限公司

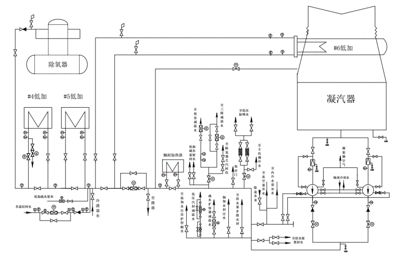
  • 凝结水泵切换操作票

    1.接值长令:A凝结水泵切换至B凝结水泵; 2.检查B凝结水泵具备启动条件,密封水、轴承冷却水进出水门全开,凝结水泵抽空气门开启3圈; 3 查询B凝结水泵上一周期运行情况:运行电流 电机轴承温度 4.关闭B凝结水泵出口电动门,退出B凝结水泵联锁;

    2024-08-16 科技股份有限公司

  • 锅炉汽包水位出现大幅波动时调节要点

    一、汽包水位可能出现大幅度波动的情况: 1)高加故障解列; 2)磨煤机跳闸; 3)带粉投磨尤其是启机初期; 4)炉水泵跳闸及启停; 5)冷态启动中,炉水达到沸点时; 6)机组启动过程中的冲转、并网;

    2024-07-29 科技股份有限公司

  • 电厂执行定期工作(启动电泵)非停案例分析

    4月24日10时15分,1号机组负荷260MW,额定容量为630MW,机组处于深度调峰状态,两台汽泵最小流量调节阀开度分别为25.1%、37%。按定期工作要求试启电动给水泵,此时电泵出口调门开度显示为零(该电泵流量应该是为出口调门控制的)。电泵启动后给水流量由760t/h最大上升至1226t/h(电泵出口门限位不对,实际开度为20%,电泵出口压力13.4MPa,汽泵出口压力13.15MPa),汽泵自动投入情况下减转速,发出“汽泵入口流量<400t/h报警”。10时20分,两台汽泵入口流量<320t/h,最小流量阀超驰全开,此时主值担心给水流量突增引起事故,停运了电动给水泵,主给水流量<380t/h,延时3秒,锅炉MFT。

    2024-04-22 科技股份有限公司

  • 如何防范汽轮机大轴弯曲?

    如何防范汽轮机大轴弯曲?

    2023-10-25 科技股份有限公司

  • 凝结水泵机封损坏导致机组MFT,事故处理不果断?

    凝结水泵机封损坏导致机组MFT,事故处理不果断?

    2023-10-24 科技股份有限公司

  • 干熄焦锅炉运行经验总结

    干熄焦锅炉运行经验总结

    2023-09-27 科技股份有限公司

  • 凝泵原理及其汽蚀

    凝泵原理及其汽蚀

    2023-09-19 科技股份有限公司

上一页123下一页 转至第
首页
产品
新闻
联系