新闻动态
KWZK华体会(中国)hth·官方网站
网站首页
科技股份有限公司
公司简介
在线反馈
联系我们
产品展示
全部
传感器/变送器
流量计系列
液位/料位系列
阀门/执行装置
液压/气动元件
检维修工器具
化验/分析仪器
其他机电仪产品
新闻动态
全部
行业知识
企业新闻
资料下载
客户案例
新闻动态
推荐
热门
最新
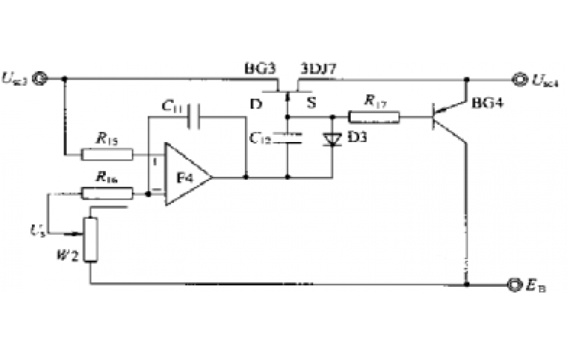
KW-K100系列开方器小信号切除故障分享
KW-K100系列开方器小信号切除故障分享
2022-10-08
科技股份有限公司
上一页
1
下一页
转至第
首页
产品
新闻
联系
华体会hth·(体育)
|
hth官方网页版_hth(中国)
|
华体会官方网站
|
华体会hth·体育(中国)官方网站
|
华体会注册大厅
|
华体会体育(中国)HTH·官方网站
|
华体会官方端网站登录入口
|
华体会在线官网
|
万博
|