汽机机组振动原因和预防知识分享
2023-10-17 科技股份有限公司
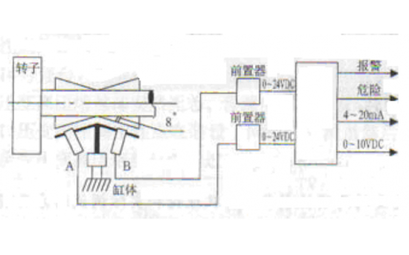
汽轮机胀差、轴位如何定零位?
2023-05-22 科技股份有限公司
汽轮机胀差和轴向位移知识分享-广东科技股份有限公司
2022-09-05 科技股份有限公司