备自投装置 你为什么闭锁了
2023-09-14 科技股份有限公司
变电站备自投原理知识分享
2022-10-17 科技股份有限公司
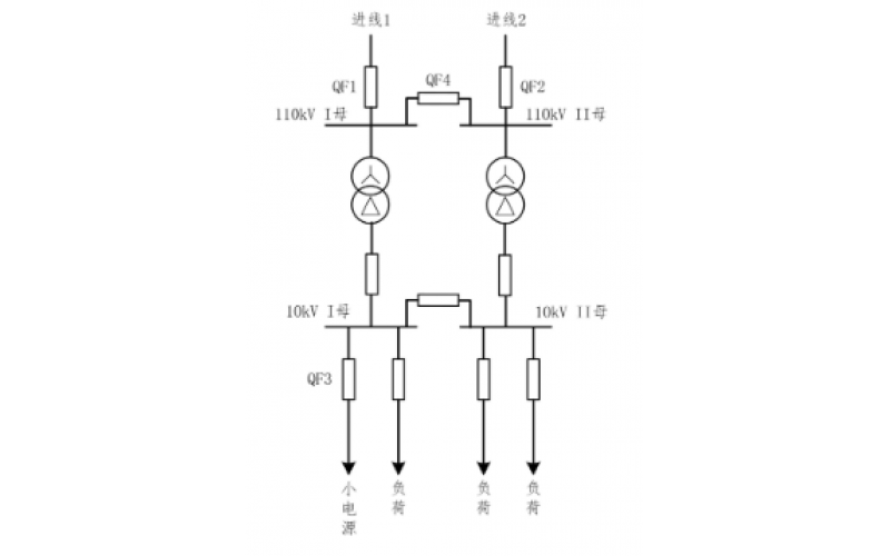
重庆科技股份有限公司-小电源接入对备自投的影响
2022-09-06 科技股份有限公司