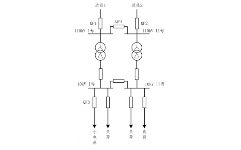
重庆科技股份有限公司-小电源接入对备自投的影响
2022-09-06 科技股份有限公司
北京科技股份有限公司-配电室为什么要用绝缘垫?
为什么理论计算的预热器出口烟气量要比实测值小很多?-贵州科技股份有限公司
北京科技股份有限公司-励磁电流是如何进入发电机转子绕组的?
2022-09-05 科技股份有限公司
汽轮机胀差和轴向位移知识分享-广东科技股份有限公司
电厂变压器瓦斯保护你知道吗?-北京科技股份有限公司
2022-09-05 科技股份有限公司电气
北京科技股份有限公司-温控仪表故障处理分享
2022-09-03 科技股份有限公司
何谓红外光子探测器?红外光子探测器知识介绍-北京科技股份有限公司
2022-09-02 科技股份有限公司