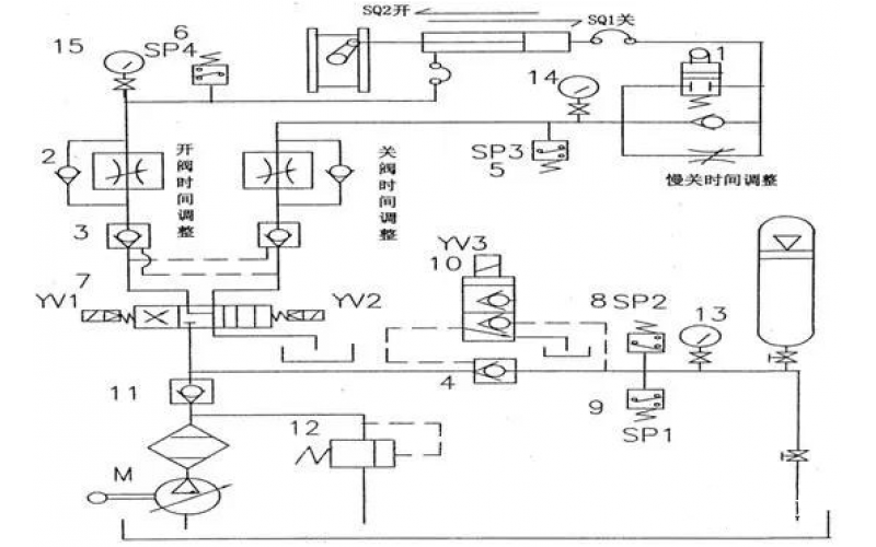
#5机B循泵液控蝶阀关阀故障分析知识分享
2022-07-12 科技股份有限公司
KWBPQ系列变频器是否能省电,能省多少电呢?
2022-07-12 科技股份有限公司电气
DSRT-8系列涡街流量计无显示故障维修处理分享
2022-07-12 科技股份有限公司自控
HMR-KB系列给煤机皮带秤校验分享
2022-07-11 科技股份有限公司
二次再热汽轮机阀门静态试验操作说明
上汽二次再热汽轮机冲转常见问题汇总(热控相关)
LADH-B20系列不间断电源的热工应用分享
2022-07-08 科技股份有限公司自控
KW-ZKSD系列霍尔式速度传感器知识分享