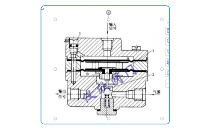
详解气动继动器知识分享
2023-07-03 科技股份有限公司
工业自动化仪表设计安装容易忽略的问题
仪表测量范围,量程,示值范围的区别知识分享
2023-06-30 科技股份有限公司
变电站蓄电池组开路的严重后果及应对知识分享
粉尘多的工厂用哪种变频器合适?
仪表线路、电缆、电线及光缆敷设施工知识分享
2023-06-29 科技股份有限公司
浅谈什么叫基频铁磁谐振过电压?(上)
施耐德ATS22D62Q软起动维修记录:run灯闪烁,电机嗡嗡响